Screenshots
 Organizing the Knowledge Base - Organizing the Knowledge Base
|
|
Administration of Knowledge Bases. Exchange your Knowledge Bases via export and import.
|
Organize spectra and classes. Supplement the spectra with additional user defined information.
|
|
|
Import spectrum files simply by Drag&Drop.
|
Use a tabular catalog of your spectra for import and assignment of classes.
|
|
 Visualization - Visualization
|
|
Multiple spectrum view (here: all in one diagram).
|
Class means and standard deviations (here: in separate diagrams).
|
|
|
|
2.5D View - Perspective view of the spectra in class common colors.
|
Top view of spectra ("GelView") - classes indicated by color codes.
|
|
 Configuration - Configuration
|
Configure the preprocessing steps - These are applied to all spectra automatically.
|
|
 Training Process - Training Process
|
|
|
Information on classes and spectra as well as the classification system's state,
presented in a clear manner.
|
Detect spectra with a "suspect" training process behavior (outliers), and examine them thoroughly.
|
|
|
|
The class assignment table reveals classes, which are frequently confused.
|
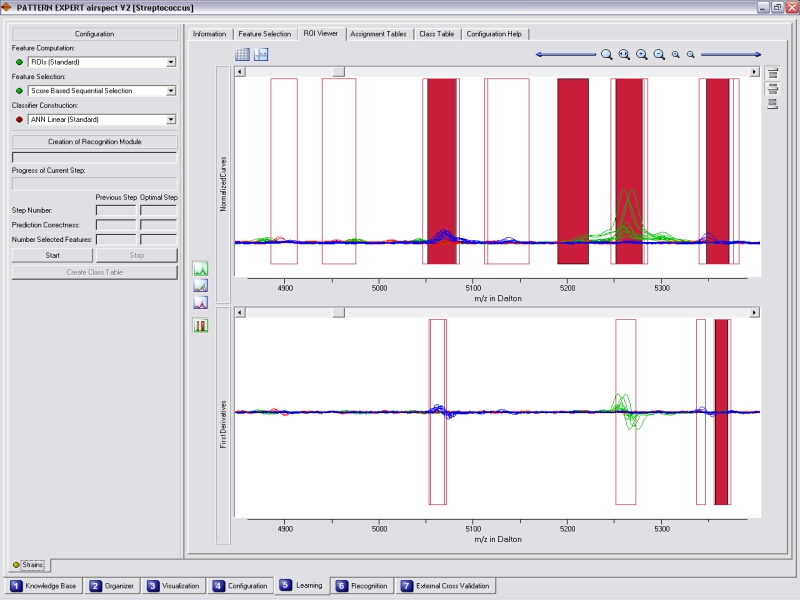
Representation of those spectral regions, which are used to distinguish the classes.
|
|
 Recognition - Recognition
|
|
|
Classification of new unknown spectra, or of spectra previously excluded from training by the user.
|
Verify the results and search for the most similar reference spectra providing evidence for class assignments.
|
|
 Simulation of "Real-Life" Conditions - Simulation of "Real-Life" Conditions
|
|
|
The fully automatic "External Cross Validation" performs a simulation of the conditions which arise in practical applications.
|
Single block analysis. Analyze the spectral features found to be useful and the calculated confidence values
for correct and false class decisions.
|
|
|
Comparison of relevant features as determined for the individual blocks.
|
|
|
|